FTIR快速动力学停流光谱仪是采用傅立叶停变换红外光谱仪的停流分析仪和快速动力学分析仪系统,采用计算机控制的中央恒温的驱动单元,带集成混合器的特殊红外传输单元,集成混合器安装在FTIR 7600傅里叶变换红外光谱仪的样品室中。透射单元,停止流动样品混合器,自动注入,温度控制和监测动能:尽在一体!
![$title $title]()
完整的
SFA-FTIR2DAB T15组件使得操作者以*大的灵活性常规操作各种样品。停流快速动力学附件能够让用户监测到溶液中快速反应的光谱变化。
FTIR快速动力学停流光谱仪停流光谱技术
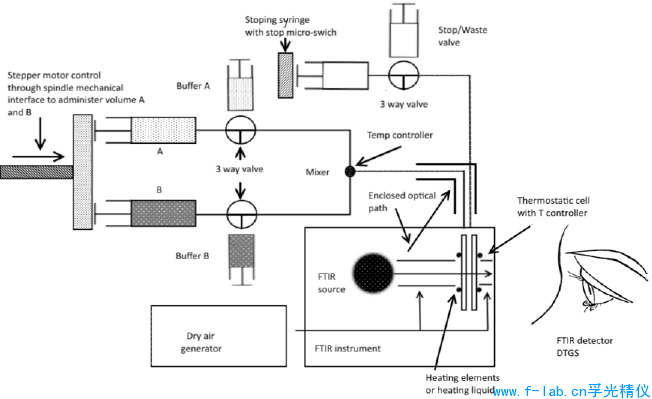
停留技术也许是*常用的快速动力学技术,小量液体从注射器迅速注入高效混合器中,启动快速反应。得到的反应体积代替了观察室里的物质,观察室里注满新鲜的 混合试剂。 停止注射器有“停流”功能,限制注射的体积。停止之前,产生一个稳态的流。溶液产生几毫秒后,就进入流动池。该反应体积的年龄就是停流系统的 停止时间。随着溶液填充入停止注射器中,柱塞击中一个物体,便瞬时停流。采用适当的技术,可以在观察室内测量反应动力。
![$title $title]()
FTIR快速动力学停流光谱仪停流注射系统
停流光谱仪分析仪的关键是恒温FTIR透射室,在透射室内的反应物是由停流液体注入系统注入。恒温透射室安装在我们的FTIR-7600分光光度计上。透射室可以安装在任何其他常用的FTIR分光光度计。
这 个FTIR快速混合配件作为单或双机动驱动单元,配备有一个恒温供应管(600mm),有硒化锌(ZnSe)(或其他)窗户和整体式混合器的1mm路径长 度的样品室,3“×2”滑座,(2)5ml样品驱动注射器和一个储存器的注射器。快速动力附件是,结合光谱技术和快速搅拌技术,促进样品溶液轻松注入其他 仪器的*一设备。此系列产品,为满足快速混合应用的不同的需求而设计,应用包括为了光谱监测溶液的快速反应的停流。FTIR快速混合配件包括一个驱动单 元,恒温供应管和有整体式混合器的样品室。FTIR快速混合配件由惰性材料构造而成,配件里试剂会发生接触,操作者通过密封样品流电路免受危险化学品伤 害。
FTIR快速动力学停流光谱仪停流的核心
核心是一个高效率Ť格式混合器,混合器有可变混合比率从100微升至5毫升,并配置成可手动或气动驱动操作。标准的双注射器系统能够精确混合流室内的两 种溶液。后者在选择注射量时*有灵活性。一个三注射器多混合系统可用于需要FTIR或其他光谱(如紫外可见荧光)的应用。注射器安装在恒温控制样品电路 外,可放置变化比例混合应用程序,程序*换方便快捷。注射器的安放也防止了在低温下任何可能的泄漏
FTIR快速动力学停流光谱仪停流软件
该软件包括所有可能的光谱分析程序,有获取光谱,显示光谱(如堆栈叠加),光谱处理,如基线校正,减,建立或搜索库,曲线拟合,(多元)校准技术,动力模块等丰富功能。提供用于停流分析的所有动力学模块。
FTIR7600傅立叶变换红外光谱仪
FTIR7600傅立叶变换红外光谱仪是顶级的分析技术,用于标识有机以及无机材料。FTIR7600是一个单光束光谱仪,扫描速度快,精度高。FTIR7600由电脑操作,电脑有用户友hao型软件和综合指南。它还是工业,科学和质量控制领域的各种分析应用的重要工具。可以连接不同类型的附件来扩展功能,例如采样卡;液体细胞;空气电池; ATR和其他。
高度稳定的光学系统
•主要部件集成到一个由铸造铝加工而成的光学台架上。高度稳定,不需要调整,消除维持光径的烦恼。
•精密机械,确保每个扫描的高重复性。光路和每个部件都采用xian*的设计理念。
•系统的立体角反射光学系统使操作简单,无需复杂的电子器件和额外的移动部件。此外,用户可*换光谱仪的许多组件,在仪器的使用寿命内节省时间。
•内部动态准直系统和可移动镜驱动系统保持干涉的*佳状态。音圈驱动器和精密滑动提高了仪器在严峻条件下的工作能力。
•分光计有一容器干燥剂,保护光束分离器等光学元件免受湿气破坏。
Windows软件控制FTIR-7600,软件功能如下:
•文件和编辑:打开,保存,打印,复制,粘贴,删除等和选项,自定义设置的光谱采集,显示,处理,保存和打印。
•收集:配置测量参数(分辨率,平均值,范围...),实时显示不同模式和设置选项的光谱结果与以及诊断组件的状态。
•处理:谱转换(A / T,日志,K-M...),谱操作(删除,加,减,多道处理,规范...),和光谱校正。
•分析:发现高峰期,贴标签,与库作比较,对光谱搜索定义设置,搜索库(选择库,添加新库,建立库...),并显示结果。